- 公交车投币器MILANCOM米兰·(中国)官方网站
- 公交车破窗器MILANCOM米兰·(中国)官方网站
- 车灯MILANCOM米兰·(中国)官方网站
- 门锁MILANCOM米兰·(中国)官方网站
- 防坠器MILANCOM米兰·(中国)官方网站
- 纺织机MILANCOM米兰·(中国)官方网站
- 裁线机MILANCOM米兰·(中国)官方网站
- 绣花机MILANCOM米兰·(中国)官方网站
- 游戏机MILANCOM米兰·(中国)官方网站
- 打印机MILANCOM米兰·(中国)官方网站
- 喷码机MILANCOM米兰·(中国)官方网站
- 端子机MILANCOM米兰·(中国)官方网站
- 弹珠机MILANCOM米兰·(中国)官方网站
- 长行程MILANCOM米兰·(中国)官方网站
- 起重机MILANCOM米兰·(中国)官方网站
- 大吸力MILANCOM米兰·(中国)官方网站
- 自动售米机MILANCOM米兰·(中国)官方网站
- 自动流水线MILANCOM米兰·(中国)官方网站
- 选色机MILANCOM米兰·(中国)官方网站
- 振动盘MILANCOM米兰·(中国)官方网站
- 机械手MILANCOM米兰·(中国)官方网站
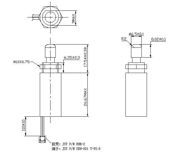
门锁开关控制MILANCOM米兰·(中国)官方网站
| 电压: | DC24V | 行程: | 1MM | 电阻: | 9.6欧 | 功率: | 60W |
| 耐温: | 寿命: | 20万次 | 耐电压: | 初始力: | 575G | ||
| 电流: | 2.5A | 通电率: | 10% | 弹簧回力: | 吸力: |
门锁开关控制MILANCOM米兰·(中国)官方网站
型号:SDL-O0527A-24L9.6
参数
行程:1MM
电压:DC24V
电流:2.5A
电阻:9.6欧
功率:60W
初始力:575G
通电率:10%
寿命:20万次
环境温度:20度
是否防水:是
产品使用行业:门锁
产品执行功能:开关
拓展适用行业:机械设备
产品特点:体识小,吸力大。寿命长。


/elinfo-91.html
/elinfo-104.html
/elinfo-108.html
/elinfo-109.html
/elinfo-110.html
/elinfo-111.html
/elinfo-112.html
广州思德隆电子有限公司()创立于2005年,是一家专业生产研发MILANCOM米兰·(中国)官方网站定制加工,电磁阀定制,MILANCOM米兰·(中国)官方网站,小型MILANCOM米兰·(中国)官方网站等各类电磁产品,拥有丰富行业经验的广州MILANCOM米兰·(中国)官方网站厂家、广州电磁阀厂家、MILANCOM米兰·(中国)官方网站厂家。品种多样,规格齐全,产品从零部件到成品组装均有自己的加工设备以及产生线,拥有高精密度检测仪器和自主研发的老化设备,已通过(ISO9001认证)专业制造感应自动门MILANCOM米兰·(中国)官方网站/透镜MILANCOM米兰·(中国)官方网站从产品设计到样品以及量产,均有量化高效的工艺流程及老化实验检测,保证了产品的质量与订单的按时交货。






