按应用分类
- 公交车投币器MILANCOM米兰·(中国)官方网站
- 公交车破窗器MILANCOM米兰·(中国)官方网站
- 车灯MILANCOM米兰·(中国)官方网站
- 门锁MILANCOM米兰·(中国)官方网站
- 防坠器MILANCOM米兰·(中国)官方网站
- 纺织机MILANCOM米兰·(中国)官方网站
- 裁线机MILANCOM米兰·(中国)官方网站
- 绣花机MILANCOM米兰·(中国)官方网站
- 游戏机MILANCOM米兰·(中国)官方网站
- 打印机MILANCOM米兰·(中国)官方网站
- 喷码机MILANCOM米兰·(中国)官方网站
- 端子机MILANCOM米兰·(中国)官方网站
- 弹珠机MILANCOM米兰·(中国)官方网站
- 长行程MILANCOM米兰·(中国)官方网站
- 起重机MILANCOM米兰·(中国)官方网站
- 大吸力MILANCOM米兰·(中国)官方网站
- 自动售米机MILANCOM米兰·(中国)官方网站
- 自动流水线MILANCOM米兰·(中国)官方网站
- 选色机MILANCOM米兰·(中国)官方网站
- 振动盘MILANCOM米兰·(中国)官方网站
- 机械手MILANCOM米兰·(中国)官方网站
娃娃机脱钩电磁阀/MILANCOM米兰·(中国)官方网站
发布日期:2016-8-9 来源:思德隆 标签:MILANCOM米兰·(中国)官方网站厂家 浏览次数:7995
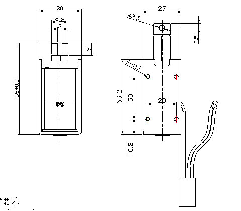
型号:SDL-U1253J-12L12
产品使用对象:游戏娃娃机
产品执行功能:销子缩回挂钩脱落
娃娃机脱钩电磁阀/MILANCOM米兰·(中国)官方网站参数
| 电压: | DC12V | 行程: | 10MM | 电阻: | 12欧 | 功率: | 12W |
| 耐温: | 寿命: | 20万次 | 耐电压: | 初始力: | 350G | ||
| 电流: | 1A | 通电率: | 50% | 弹簧回力: | 吸力: |
娃娃机脱钩电磁阀/MILANCOM米兰·(中国)官方网站产品详情
娃娃机脱钩电磁阀/MILANCOM米兰·(中国)官方网站
型号:SDL-U1253J-12L12
参数
电压:DC12V
电流:1A
电阻:12欧
功率:12W
行程:10MM
初始力:350G
通电率:50%
寿命:20万次
产品使用行业:游戏娃娃机
产品执行功能:销子缩回挂钩脱落
拓展适用行业:游戏游艺设备
产品特点:销子部位摩擦力小,瞬间爆发力大。



广州思德隆电子有限公司()创立于2005年,是一家专业生产研发MILANCOM米兰·(中国)官方网站定制加工,电磁阀定制,MILANCOM米兰·(中国)官方网站,小型MILANCOM米兰·(中国)官方网站等各类电磁产品,拥有丰富行业经验的广州MILANCOM米兰·(中国)官方网站厂家、广州电磁阀厂家、MILANCOM米兰·(中国)官方网站厂家。品种多样,规格齐全,产品从零部件到成品组装均有自己的加工设备以及产生线,拥有高精密度检测仪器和自主研发的老化设备,已通过(ISO9001认证)专业制造游戏机MILANCOM米兰·(中国)官方网站定制/透镜MILANCOM米兰·(中国)官方网站从产品设计到样品以及量产,均有量化高效的工艺流程及老化实验检测,保证了产品的质量与订单的按时交货。
关键词:娃娃机脱钩电磁阀,娃娃机脱钩MILANCOM米兰·(中国)官方网站






