- 公交车投币器MILANCOM米兰·(中国)官方网站
- 公交车破窗器MILANCOM米兰·(中国)官方网站
- 车灯MILANCOM米兰·(中国)官方网站
- 门锁MILANCOM米兰·(中国)官方网站
- 防坠器MILANCOM米兰·(中国)官方网站
- 纺织机MILANCOM米兰·(中国)官方网站
- 裁线机MILANCOM米兰·(中国)官方网站
- 绣花机MILANCOM米兰·(中国)官方网站
- 游戏机MILANCOM米兰·(中国)官方网站
- 打印机MILANCOM米兰·(中国)官方网站
- 喷码机MILANCOM米兰·(中国)官方网站
- 端子机MILANCOM米兰·(中国)官方网站
- 弹珠机MILANCOM米兰·(中国)官方网站
- 长行程MILANCOM米兰·(中国)官方网站
- 起重机MILANCOM米兰·(中国)官方网站
- 大吸力MILANCOM米兰·(中国)官方网站
- 自动售米机MILANCOM米兰·(中国)官方网站
- 自动流水线MILANCOM米兰·(中国)官方网站
- 选色机MILANCOM米兰·(中国)官方网站
- 振动盘MILANCOM米兰·(中国)官方网站
- 机械手MILANCOM米兰·(中国)官方网站
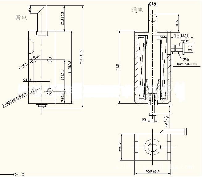
自动智能门锁MILANCOM米兰·(中国)官方网站
| 电压: | DC12V | 行程: | 6mm | 电阻: | 功率: | ||
| 耐温: | 寿命: | 耐电压: | 初始力: | 1000g | |||
| 电流: | 1.2A | 通电率: | 弹簧回力: | 吸力: |
名称:自动智能门锁MILANCOM米兰·(中国)官方网站
型号:SDL-U0842A-12L
电压:DC12V
电流:1.2A
初始力:1000g
行程:6mm
产品说明及性能优劣:
1. MILANCOM米兰·(中国)官方网站铁芯耐磨,撞击性好,长年使用顶部无损;
2. 铜头与导杆之间螺纹固定点胶,并且带有无头螺丝固定,频繁撞击铜头不会脱落;
3. 弹簧在原有基础上加大,保证弹回有力,动感强烈;
4. 线包采用优质漆包线制成,耐温,耐高压,电流稳定,磁感应强度稳定;
5. 线圈装有双重保险丝,对于瞬间电压过高,长时间通电发热带来的烧毁MILANCOM米兰·(中国)官方网站以及游戏机其他部件问题得到解决;
6.良好的框架结构设计和铆合,有效解决MILANCOM米兰·(中国)官方网站散架问题;
7.MILANCOM米兰·(中国)官方网站寿命达到500万次以上。动感持久不衰;
8、宇宙金门专用MILANCOM米兰·(中国)官方网站电磁锁;
9、锁头呈鸭舌状,阻力小,铁芯内部有定向槽,锁头进出方向不变。

.jpg)
广州思德隆电子有限公司()创立于2005年,是一家专业生产研发MILANCOM米兰·(中国)官方网站厂家,电磁阀,MILANCOM米兰·(中国)官方网站,小型MILANCOM米兰·(中国)官方网站等各类电磁产品,拥有丰富行业经验的广州牵引式MILANCOM米兰·(中国)官方网站制造商、电磁阀、MILANCOM米兰·(中国)官方网站厂家。品种多样,规格齐全,产品从零部件到成品组装均有自己的加工设备以及流水线,拥有高精密度检测仪器和自主研发的老化设备,自动智能门锁MILANCOM米兰·(中国)官方网站从产品设计到样品以及量产,均有量化高效的工艺流程及老化实验检测,保证了产品的质量与订单的按时交货。






