按应用分类
- 公交车投币器MILANCOM米兰·(中国)官方网站
- 公交车破窗器MILANCOM米兰·(中国)官方网站
- 车灯MILANCOM米兰·(中国)官方网站
- 门锁MILANCOM米兰·(中国)官方网站
- 防坠器MILANCOM米兰·(中国)官方网站
- 纺织机MILANCOM米兰·(中国)官方网站
- 裁线机MILANCOM米兰·(中国)官方网站
- 绣花机MILANCOM米兰·(中国)官方网站
- 游戏机MILANCOM米兰·(中国)官方网站
- 打印机MILANCOM米兰·(中国)官方网站
- 喷码机MILANCOM米兰·(中国)官方网站
- 端子机MILANCOM米兰·(中国)官方网站
- 弹珠机MILANCOM米兰·(中国)官方网站
- 长行程MILANCOM米兰·(中国)官方网站
- 起重机MILANCOM米兰·(中国)官方网站
- 大吸力MILANCOM米兰·(中国)官方网站
- 自动售米机MILANCOM米兰·(中国)官方网站
- 自动流水线MILANCOM米兰·(中国)官方网站
- 选色机MILANCOM米兰·(中国)官方网站
- 振动盘MILANCOM米兰·(中国)官方网站
- 机械手MILANCOM米兰·(中国)官方网站
LED汽车灯变远近光透镜电机
发布日期:2016-9-27 来源:思德隆 标签:车灯MILANCOM米兰·(中国)官方网站定制 浏览次数:9724
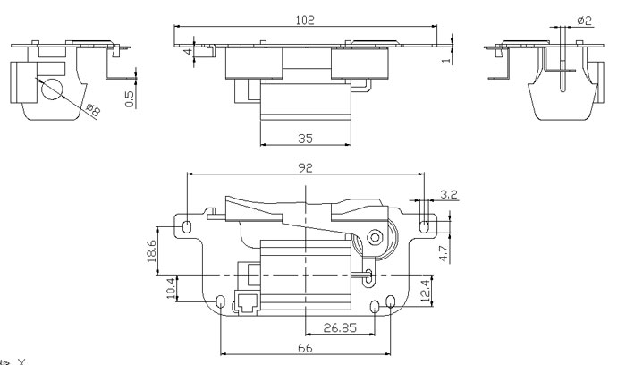
型号:SDL-C0835B-12S24
产品使用对象:LED汽车灯
产品执行功能:变远近光
LED汽车灯变远近光透镜电机参数
| 电压: | DC12V | 行程: | 电阻: | 24欧 | 功率: | 6W | |
| 耐温: | 180度 | 寿命: | 50万次 | 耐电压: | 初始力: | 120G | |
| 电流: | 0.5A | 通电率: | 100% | 弹簧回力: | 吸力: |
LED汽车灯变远近光透镜电机产品详情
LED汽车灯变远近光透镜电机_MILANCOM米兰·(中国)官方网站_汽车大灯电磁阀定制
型号:SDL-C0835B-12S24
参数
电压:DC12V
电流:0.5A
初始力:120G
电阻:24欧
功率:6W
通电率:100%
寿命:50万次
环境温度:180度
产品使用行业:LED汽车灯
产品执行功能:变远近光
拓展适用行业:透镜
产品特点:耐高温180度,无卡死现象。



广州思德隆电子有限公司()创立于2005年,是一家专业生产研发MILANCOM米兰·(中国)官方网站定制加工,电磁阀定制,MILANCOM米兰·(中国)官方网站,小型MILANCOM米兰·(中国)官方网站等各类电磁产品,拥有丰富行业经验的广州MILANCOM米兰·(中国)官方网站厂家、广州电磁阀厂家、MILANCOM米兰·(中国)官方网站厂家。品种多样,规格齐全,产品从零部件到成品组装均有自己的加工设备以及产生线,拥有高精密度检测仪器和自主研发的老化设备,已通过(ISO9001认证)专业制造车灯MILANCOM米兰·(中国)官方网站/透镜MILANCOM米兰·(中国)官方网站从产品设计到样品以及量产,均有量化高效的工艺流程及老化实验检测,保证了产品的质量与订单的按时交货。
关键词:汽车大灯电磁阀,LED汽车灯变远近光,变远近光透镜电机






