按应用分类
- 公交车投币器MILANCOM米兰·(中国)官方网站
- 公交车破窗器MILANCOM米兰·(中国)官方网站
- 车灯MILANCOM米兰·(中国)官方网站
- 门锁MILANCOM米兰·(中国)官方网站
- 防坠器MILANCOM米兰·(中国)官方网站
- 纺织机MILANCOM米兰·(中国)官方网站
- 裁线机MILANCOM米兰·(中国)官方网站
- 绣花机MILANCOM米兰·(中国)官方网站
- 游戏机MILANCOM米兰·(中国)官方网站
- 打印机MILANCOM米兰·(中国)官方网站
- 喷码机MILANCOM米兰·(中国)官方网站
- 端子机MILANCOM米兰·(中国)官方网站
- 弹珠机MILANCOM米兰·(中国)官方网站
- 长行程MILANCOM米兰·(中国)官方网站
- 起重机MILANCOM米兰·(中国)官方网站
- 大吸力MILANCOM米兰·(中国)官方网站
- 自动售米机MILANCOM米兰·(中国)官方网站
- 自动流水线MILANCOM米兰·(中国)官方网站
- 选色机MILANCOM米兰·(中国)官方网站
- 振动盘MILANCOM米兰·(中国)官方网站
- 机械手MILANCOM米兰·(中国)官方网站
电饭煲用交流小型推拉开关MILANCOM米兰·(中国)官方网站定制
发布日期:2017-7-22 来源:思德隆 标签:合闸MILANCOM米兰·(中国)官方网站 浏览次数:6226
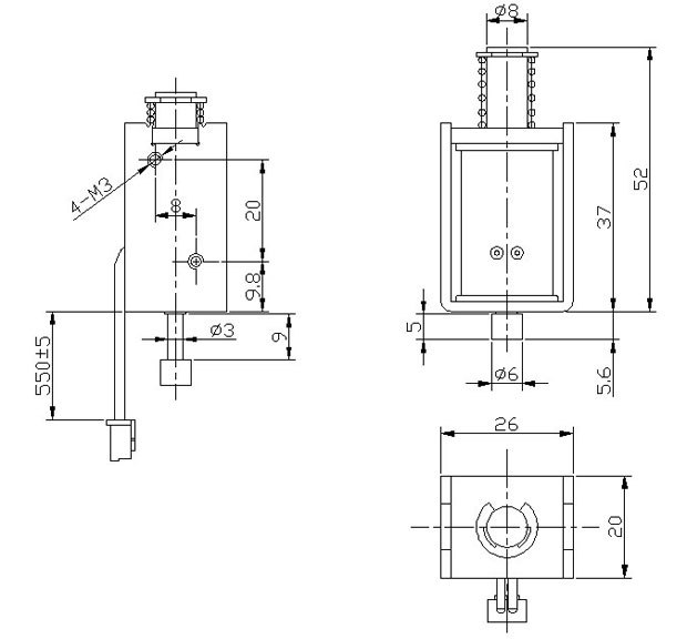
型号:SDL-U0837E-220S3600
产品使用对象:苏泊尔电饭煲
产品执行功能:推拉开关
电饭煲用交流小型推拉开关MILANCOM米兰·(中国)官方网站定制参数
| 电压: | AC220V | 行程: | 9MM | 电阻: | 3600 | 功率: | 13.4W |
| 耐温: | 寿命: | 20万次 | 耐电压: | 初始力: | 90G以上 | ||
| 电流: | 61MA | 通电率: | 25% | 弹簧回力: | 吸力: |
电饭煲用交流小型推拉开关MILANCOM米兰·(中国)官方网站定制产品详情
电饭煲用交流小型推拉开关MILANCOM米兰·(中国)官方网站定制
型号:SDL-U0837E-220S3600
参数
行程:9MM
电压:AC220V
电流:61MA
电阻:3600
功率:13.4W
初始力:90G以上
通电率:25%
寿命:20万次
产品使用对象:苏泊尔电饭煲
产品执行功能:推拉开关
拓展适用行业:自动门锁
产品特点:体积小,磁力大,安装方便。




广州思德隆电子有限公司(/)创立于2005年,是一家专业生产研发MILANCOM米兰·(中国)官方网站定制加工,,小型MILANCOM米兰·(中国)官方网站等各类电磁产品,拥有丰富行业经验的广州MILANCOM米兰·(中国)官方网站厂家、品种多样,规格齐全,产品从零部件到成品组装均有自己的加工设备以及产生线,拥有高精密度检测仪器和自主研发的老化设备,已通过(ISO9001认证)专业制造电饭煲用交流小型推拉开关MILANCOM米兰·(中国)官方网站从产品设计到样品以及量产,均有量化高效的工艺流程及老化实验检测,保证了产品的质量与订单的按时交货。
关键词:电饭煲,交流小型推拉开关MILANCOM米兰·(中国)官方网站,开关MILANCOM米兰·(中国)官方网站定制






