按应用分类
- 公交车投币器MILANCOM米兰·(中国)官方网站
- 公交车破窗器MILANCOM米兰·(中国)官方网站
- 车灯MILANCOM米兰·(中国)官方网站
- 门锁MILANCOM米兰·(中国)官方网站
- 防坠器MILANCOM米兰·(中国)官方网站
- 纺织机MILANCOM米兰·(中国)官方网站
- 裁线机MILANCOM米兰·(中国)官方网站
- 绣花机MILANCOM米兰·(中国)官方网站
- 游戏机MILANCOM米兰·(中国)官方网站
- 打印机MILANCOM米兰·(中国)官方网站
- 喷码机MILANCOM米兰·(中国)官方网站
- 端子机MILANCOM米兰·(中国)官方网站
- 弹珠机MILANCOM米兰·(中国)官方网站
- 长行程MILANCOM米兰·(中国)官方网站
- 起重机MILANCOM米兰·(中国)官方网站
- 大吸力MILANCOM米兰·(中国)官方网站
- 自动售米机MILANCOM米兰·(中国)官方网站
- 自动流水线MILANCOM米兰·(中国)官方网站
- 选色机MILANCOM米兰·(中国)官方网站
- 振动盘MILANCOM米兰·(中国)官方网站
- 机械手MILANCOM米兰·(中国)官方网站
东莞线材刻字机用框架推拉MILANCOM米兰·(中国)官方网站定制
发布日期:2017-7-28 来源:思德隆 标签:推拉MILANCOM米兰·(中国)官方网站 浏览次数:6756
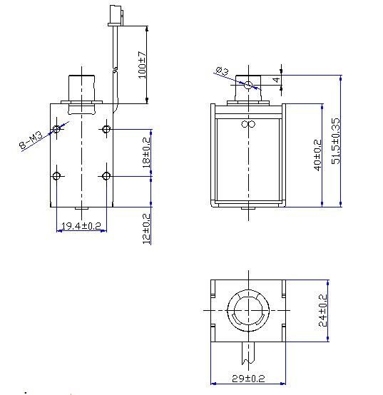
型号:SDL-U1040I-24L36
产品使用对象:线材刻字机
产品执行功能:推拉
东莞线材刻字机用框架推拉MILANCOM米兰·(中国)官方网站定制参数
| 电压: | DC24V | 行程: | 3MM | 电阻: | 36 | 功率: | 16W |
| 耐温: | 寿命: | 100万次 | 耐电压: | 初始力: | 850G | ||
| 电流: | 0.67A | 通电率: | 25% | 弹簧回力: | 吸力: | 850G |
东莞线材刻字机用框架推拉MILANCOM米兰·(中国)官方网站定制产品详情
东莞线材刻字机用框架推拉MILANCOM米兰·(中国)官方网站定制
型号:SDL-U1040I-24L36
参数
行程:3MM
电压:DC24V
电流:0.67A
电阻:36
功率:16W
初始力:850G
通电率:25%
寿命:100万次
产品使用对象:线材刻字机
产品执行功能:推拉
拓展适用行业:电线刻字机MILANCOM米兰·(中国)官方网站
产品特点:体积小,使用寿命增大。




广州思德隆电子有限公司(/)创立于2005年,是一家专业生产研发MILANCOM米兰·(中国)官方网站定制加工,,小型MILANCOM米兰·(中国)官方网站等各类电磁产品,拥有丰富行业经验的广州MILANCOM米兰·(中国)官方网站厂家、广州电磁阀厂家、MILANCOM米兰·(中国)官方网站厂家。品种多样,规格齐全,产品从零部件到成品组装均有自己的加工设备以及产生线,拥有高精密度检测仪器和自主研发的老化设备,已通过(ISO9001认证)专业制造线材刻字机用框架推拉MILANCOM米兰·(中国)官方网站从产品设计到样品以及量产,均有量化高效的工艺流程及老化实验检测,保证了产品的质量与订单的按时交货。
/newsinfo-87.html
/newsinfo-80.html
/newsinfo-78.html
/newsinfo-77.html
/newsinfo-76.html
关键词:线材刻字机用MILANCOM米兰·(中国)官方网站,刻字机用框架推拉MILANCOM米兰·(中国)官方网站






