按应用分类
- 公交车投币器MILANCOM米兰·(中国)官方网站
- 公交车破窗器MILANCOM米兰·(中国)官方网站
- 车灯MILANCOM米兰·(中国)官方网站
- 门锁MILANCOM米兰·(中国)官方网站
- 防坠器MILANCOM米兰·(中国)官方网站
- 纺织机MILANCOM米兰·(中国)官方网站
- 裁线机MILANCOM米兰·(中国)官方网站
- 绣花机MILANCOM米兰·(中国)官方网站
- 游戏机MILANCOM米兰·(中国)官方网站
- 打印机MILANCOM米兰·(中国)官方网站
- 喷码机MILANCOM米兰·(中国)官方网站
- 端子机MILANCOM米兰·(中国)官方网站
- 弹珠机MILANCOM米兰·(中国)官方网站
- 长行程MILANCOM米兰·(中国)官方网站
- 起重机MILANCOM米兰·(中国)官方网站
- 大吸力MILANCOM米兰·(中国)官方网站
- 自动售米机MILANCOM米兰·(中国)官方网站
- 自动流水线MILANCOM米兰·(中国)官方网站
- 选色机MILANCOM米兰·(中国)官方网站
- 振动盘MILANCOM米兰·(中国)官方网站
- 机械手MILANCOM米兰·(中国)官方网站
印刷机圆管MILANCOM米兰·(中国)官方网站
发布日期:2015-12-16 来源:思德隆 标签:打印机MILANCOM米兰·(中国)官方网站 浏览次数:12453
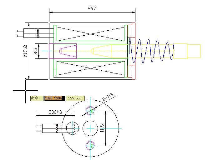
型号:SDL-O0530A-12L
产品使用对象:印刷机
产品执行功能:牵引
印刷机圆管MILANCOM米兰·(中国)官方网站参数
| 电压: | DC12V | 行程: | 10mm | 电阻: | 功率: | ||
| 耐温: | 寿命: | 500万次以上 | 耐电压: | 初始力: | 20N | ||
| 电流: | 通电率: | 弹簧回力: | 吸力: |
印刷机圆管MILANCOM米兰·(中国)官方网站产品详情
名称:印刷机圆管MILANCOM米兰·(中国)官方网站
型号:SDL-O0530A-12L
材料及性能说明:
1. 线包采用优质漆包线制成,耐温,耐高压,电流稳定,磁感应强度稳定;
2. 线圈装有双重保险丝,对于瞬间电压过高,长时间通电发热带来的烧毁MILANCOM米兰·(中国)官方网站以及游戏机其他部件问题得到解决;
3.良好的框架结构设计和铆合,有效解决MILANCOM米兰·(中国)官方网站散架问题。
4.MILANCOM米兰·(中国)官方网站寿命达到500万次以上。动感持久不衰。

(1).jpg)
广州思德隆电子有限公司()创立于2005年,是一家专业生产研发MILANCOM米兰·(中国)官方网站,电磁阀,MILANCOM米兰·(中国)官方网站,小型MILANCOM米兰·(中国)官方网站等各类电磁产品,拥有丰富行业经验的牵引式MILANCOM米兰·(中国)官方网站制造商、电磁阀、MILANCOM米兰·(中国)官方网站厂家。品种多样,规格齐全,产品从零部件到成品组装均有自己的加工设备以及流水线,拥有高精密度检测仪器和自主研发的老化设备,印刷机圆管MILANCOM米兰·(中国)官方网站从产品设计到样品以及量产,均有量化高效的工艺流程及老化实验检测,保证了产品的质量与订单的按时交货。
关键词:印刷机圆管MILANCOM米兰·(中国)官方网站,印刷机MILANCOM米兰·(中国)官方网站定制,厂家






