广州强力磁感全铜线圈
| 电压: | DC6V | 高度: | 电阻: | 寿命: | |||
| 电流: | 1.5A | 通电率: | 100% | 耐温: | 功率: | ||
| 线圈高斯: | 外径: |
广州强力磁感全铜线圈定做
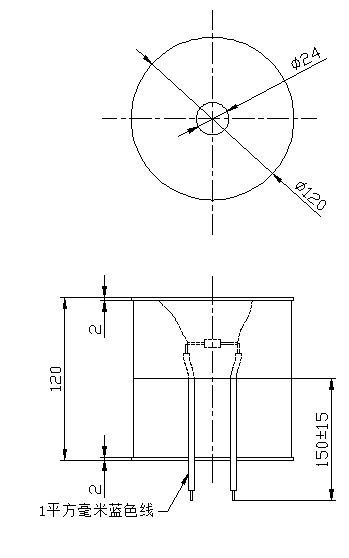
型号:SDL-XQ24120A-06L04
电压:DC6V
电流:1.5A
通电率:100%
单次通电时间:8H/S
产品使用行业:海洋传感与探测
产品执行功能:磁感应信号发射
拓展适用行业:超强信号发射
产品特点:中心位磁感强度高,磁感强度稳定,两端电压6V,能连续运行8小时,线圈中心磁感应强度为15mT。


广州思德隆电子有限公司()创立于2005年,是一家专业生产研发MILANCOM米兰·(中国)官方网站定制加工,电磁阀定制,MILANCOM米兰·(中国)官方网站,小型MILANCOM米兰·(中国)官方网站等各类电磁产品,拥有丰富行业经验的广州MILANCOM米兰·(中国)官方网站厂家、广州电磁阀厂家、MILANCOM米兰·(中国)官方网站厂家。品种多样,规格齐全,产品从零部件到成品组装均有自己的加工设备以及产生线,拥有高精密度检测仪器和自主研发的老化设备,已通过(ISO9001认证)专业制造强力磁感全铜线圈,广州全铜线圈定做从产品设计到样品以及量产,均有量化高效的工艺流程及老化实验检测,保证了产品的质量与订单的按时交货。
.jpg)
广州思德隆MILANCOM米兰·(中国)官方网站生产厂家的MILANCOM米兰·(中国)官方网站所有应用的领域:
1、公共设施MILANCOM米兰·(中国)官方网站:自动贩卖机MILANCOM米兰·(中国)官方网站、电梯刹车MILANCOM米兰·(中国)官方网站、自动售货机MILANCOM米兰·(中国)官方网站、读卡器MILANCOM米兰·(中国)官方网站、门闸MILANCOM米兰·(中国)官方网站、公共场所喷香机电磁阀、盲灯电磁阀、污水处理计量泵MILANCOM米兰·(中国)官方网站、电瓶车冲电桩电吸铁、公交车破窗器MILANCOM米兰·(中国)官方网站、客车破窗器MILANCOM米兰·(中国)官方网站等。
2、通讯\工控\自动化设备MILANCOM米兰·(中国)官方网站:海洋传感与探测、手机用电吸铁、漏电保护开关MILANCOM米兰·(中国)官方网站、电磁先导阀、矿用电磁先导阀、电液支架电磁阀等。









