广州MILANCOM米兰·(中国)官方网站线圈生产研发厂家
发布日期:2015-12-15 来源:思德隆 标签:MILANCOM米兰·(中国)官方网站线圈厂家 浏览次数:14979
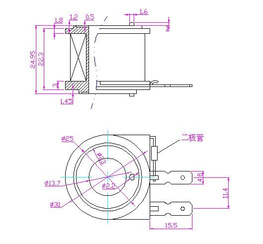
型号:SDL-XQ1325A-110
产品使用对象:广州MILANCOM米兰·(中国)官方网站线圈生产研发厂家
产品执行功能:
广州MILANCOM米兰·(中国)官方网站线圈生产研发厂家参数
| 电压: | DC110V | 高度: | 电阻: | 300欧姆 | 寿命: | ||
| 电流: | 0.35A | 通电率: | 耐温: | 功率: | |||
| 线圈高斯: | 外径: |
广州MILANCOM米兰·(中国)官方网站线圈生产研发厂家产品详情
名称:广州MILANCOM米兰·(中国)官方网站线圈生产研发厂家
型号:SDL-XQ1325A-110
特点:
1、绝缘层采用高质量绝缘胶带无褶皱包合
2、采用德国进口漆包线,耐电压达到4000V以上
3、绕线排列整齐,线圈之间阻值误差在0.5欧姆之间
4、尺寸精度达到0.01mm,便于过盈配合装配
5、产品外径公差控制在0.1mm

.jpg)
广州思德隆电子有限公司()创立于2005年,是一家专业生产研发MILANCOM米兰·(中国)官方网站,电磁阀,MILANCOM米兰·(中国)官方网站,小型MILANCOM米兰·(中国)官方网站等各类电磁产品,拥有丰富行业经验的广州MILANCOM米兰·(中国)官方网站、电磁阀、MILANCOM米兰·(中国)官方网站厂家。
关键词:广州MILANCOM米兰·(中国)官方网站线圈生产研发厂家,广州MILANCOM米兰·(中国)官方网站线圈研发厂家









