24V游戏机MILANCOM米兰·(中国)官方网站线圈
发布日期:2017-3-17 来源:思德隆 标签:MILANCOM米兰·(中国)官方网站线圈定制 浏览次数:6682
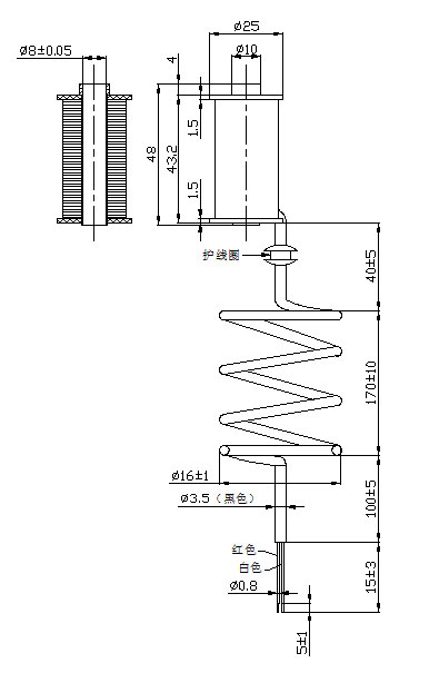
型号:SDL-XQ0843A-24L10
产品使用对象:游戏机
产品执行功能:牵引
24V游戏机MILANCOM米兰·(中国)官方网站线圈参数
| 电压: | DC24V | 高度: | 电阻: | 10欧 | 寿命: | 20万 | |
| 电流: | 2.4A | 通电率: | 5% | 耐温: | 功率: | 57.6W | |
| 线圈高斯: | 外径: |
24V游戏机MILANCOM米兰·(中国)官方网站线圈产品详情
24V游戏机MILANCOM米兰·(中国)官方网站线圈定制
型号:SDL-XQ0843A-24L10
参数:
行程:15MM
电压:DC24V
电流:2.4A
初始力:150G
通电率:5%
寿命:20万
单次通电时间:3S
电阻:10欧
功率:57.6W
产品使用行业:游戏机
产品执行功能:牵引
拓展适用行业:MILANCOM米兰·(中国)官方网站
产品特点:频率快,寿命长。



广州思德隆电子有限公司()创立于2005年,是一家专业生产研发MILANCOM米兰·(中国)官方网站定制加工,电磁阀定制,MILANCOM米兰·(中国)官方网站,小型MILANCOM米兰·(中国)官方网站等各类电磁产品,拥有丰富行业经验的广州MILANCOM米兰·(中国)官方网站厂家、广州电磁阀厂家、MILANCOM米兰·(中国)官方网站厂家。品种多样,规格齐全,产品从零部件到成品组装均有自己的加工设备以及产生线,拥有高精密度检测仪器和自主研发的老化设备,已通过(ISO9001认证)专业制造24V游戏机MILANCOM米兰·(中国)官方网站线圈定制从产品设计到样品以及量产,均有量化高效的工艺流程及老化实验检测,保证了产品的质量与订单的按时交货。
/elinfo-164.html
/elinfo-165.html
/elinfo-166.html
/elinfo-167.html
关键词:24V游戏机MILANCOM米兰·(中国)官方网站线圈









