按应用分类
- 公交车投币器MILANCOM米兰·(中国)官方网站
- 公交车破窗器MILANCOM米兰·(中国)官方网站
- 车灯MILANCOM米兰·(中国)官方网站
- 门锁MILANCOM米兰·(中国)官方网站
- 防坠器MILANCOM米兰·(中国)官方网站
- 纺织机MILANCOM米兰·(中国)官方网站
- 裁线机MILANCOM米兰·(中国)官方网站
- 绣花机MILANCOM米兰·(中国)官方网站
- 游戏机MILANCOM米兰·(中国)官方网站
- 打印机MILANCOM米兰·(中国)官方网站
- 喷码机MILANCOM米兰·(中国)官方网站
- 端子机MILANCOM米兰·(中国)官方网站
- 弹珠机MILANCOM米兰·(中国)官方网站
- 长行程MILANCOM米兰·(中国)官方网站
- 起重机MILANCOM米兰·(中国)官方网站
- 大吸力MILANCOM米兰·(中国)官方网站
- 自动售米机MILANCOM米兰·(中国)官方网站
- 自动流水线MILANCOM米兰·(中国)官方网站
- 选色机MILANCOM米兰·(中国)官方网站
- 振动盘MILANCOM米兰·(中国)官方网站
- 机械手MILANCOM米兰·(中国)官方网站
停车闭锁单保持式MILANCOM米兰·(中国)官方网站
发布日期:2016-11-21 来源:思德隆 标签:MILANCOM米兰·(中国)官方网站定制 浏览次数:7338
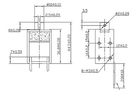
型号:SDL-DBC1037A-36L02
产品使用对象:高尔夫球包车
产品执行功能:停车锁死
停车闭锁单保持式MILANCOM米兰·(中国)官方网站参数
| 电压: | DC36V | 行程: | 6mm | 电阻: | 2欧 | 功率: | 648W |
| 耐温: | 寿命: | 10万次 | 耐电压: | 初始力: | 3.5Kg | ||
| 电流: | 18A | 通电率: | 5% | 弹簧回力: | 吸力: |
停车闭锁单保持式MILANCOM米兰·(中国)官方网站产品详情
停车闭锁单保持式MILANCOM米兰·(中国)官方网站
型号:SDL-DBC1037A-36L02
参数
行程:6mm
电压:DC36V
电流:18A
电阻:2欧
功率:648W
推拉力:2KG
保持力:1.5KG
初始力:3.5Kg
通电率:5%
寿命:10万次
单次通电时间:1S
产品使用行业:高尔夫球包车
产品执行功能:停车锁死
拓展适用行业:智能遥控停车
产品特点:推拉力2KG,保持力1.5KG,推拉时间不限。



广州思德隆电子有限公司()创立于2005年,是一家专业生产研发MILANCOM米兰·(中国)官方网站定制加工,电磁阀定制,MILANCOM米兰·(中国)官方网站,小型MILANCOM米兰·(中国)官方网站等各类电磁产品,拥有丰富行业经验的广州MILANCOM米兰·(中国)官方网站厂家、广州电磁阀厂家、MILANCOM米兰·(中国)官方网站厂家。品种多样,规格齐全,产品从零部件到成品组装均有自己的加工设备以及产生线,拥有高精密度检测仪器和自主研发的老化设备,已通过(ISO9001认证)专业制造推拉式MILANCOM米兰·(中国)官方网站/吸盘式MILANCOM米兰·(中国)官方网站从产品设计到样品以及量产,均有量化高效的工艺流程及老化实验检测,保证了产品的质量与订单的按时交货。
关键词:停车闭锁单保持式MILANCOM米兰·(中国)官方网站






