当前位置:首页 » MILANCOM米兰·(中国)官方网站 »
推拉式MILANCOM米兰·(中国)官方网站> » 灯饰微动开关MILANCOM米兰·(中国)官方网站|室内继电器MILANCOM米兰·(中国)官方网站定做
按应用分类
- 公交车投币器MILANCOM米兰·(中国)官方网站
- 公交车破窗器MILANCOM米兰·(中国)官方网站
- 车灯MILANCOM米兰·(中国)官方网站
- 门锁MILANCOM米兰·(中国)官方网站
- 防坠器MILANCOM米兰·(中国)官方网站
- 纺织机MILANCOM米兰·(中国)官方网站
- 裁线机MILANCOM米兰·(中国)官方网站
- 绣花机MILANCOM米兰·(中国)官方网站
- 游戏机MILANCOM米兰·(中国)官方网站
- 打印机MILANCOM米兰·(中国)官方网站
- 喷码机MILANCOM米兰·(中国)官方网站
- 端子机MILANCOM米兰·(中国)官方网站
- 弹珠机MILANCOM米兰·(中国)官方网站
- 长行程MILANCOM米兰·(中国)官方网站
- 起重机MILANCOM米兰·(中国)官方网站
- 大吸力MILANCOM米兰·(中国)官方网站
- 自动售米机MILANCOM米兰·(中国)官方网站
- 自动流水线MILANCOM米兰·(中国)官方网站
- 选色机MILANCOM米兰·(中国)官方网站
- 振动盘MILANCOM米兰·(中国)官方网站
- 机械手MILANCOM米兰·(中国)官方网站
灯饰微动开关MILANCOM米兰·(中国)官方网站|室内继电器MILANCOM米兰·(中国)官方网站定做
发布日期:2016-12-5 来源:思德隆 标签:MILANCOM米兰·(中国)官方网站 浏览次数:5655
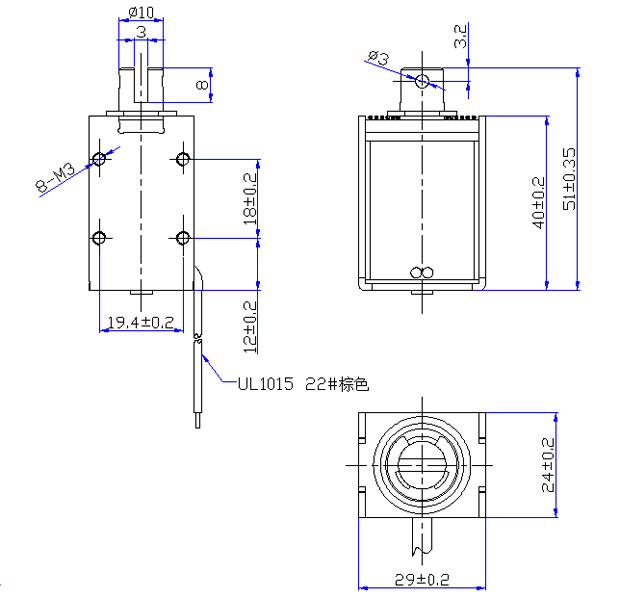
型号:SDL-U1040G-24L22
产品使用对象:室内灯饰
产品执行功能:开关
灯饰微动开关MILANCOM米兰·(中国)官方网站|室内继电器MILANCOM米兰·(中国)官方网站定做参数
| 电压: | DC24V | 行程: | 8MM | 电阻: | 22欧 | 功率: | 24W |
| 耐温: | 寿命: | 20万次 | 耐电压: | 初始力: | 800G | ||
| 电流: | 1A | 通电率: | 10% | 弹簧回力: | 吸力: |
灯饰微动开关MILANCOM米兰·(中国)官方网站|室内继电器MILANCOM米兰·(中国)官方网站定做产品详情
灯饰微动开关MILANCOM米兰·(中国)官方网站|室内继电器MILANCOM米兰·(中国)官方网站定做
型号:SDL-U1040G-24L22
参数
行程:8MM
电压:DC24V
电流:1A
电阻:22欧
功率:24W
初始力:800G
通电率:10%
寿命:20万次
单次通电时间:1秒
使用率:1440次/24H
反应速度:30次/秒
产品使用行业:室内灯饰
产品执行功能:开关
拓展适用行业:机械设备
产品特点:体积小,安装容易;框架式设计散热好。



广州思德隆电子有限公司()创立于2005年,是一家专业生产研发MILANCOM米兰·(中国)官方网站定制加工,电磁阀定制,MILANCOM米兰·(中国)官方网站,小型MILANCOM米兰·(中国)官方网站等各类电磁产品,拥有丰富行业经验的广州MILANCOM米兰·(中国)官方网站厂家、广州电磁阀厂家、MILANCOM米兰·(中国)官方网站厂家。品种多样,规格齐全,产品从零部件到成品组装均有自己的加工设备以及产生线,拥有高精密度检测仪器和自主研发的老化设备,已通过(ISO9001认证)专业制造继电器MILANCOM米兰·(中国)官方网站定制/透镜MILANCOM米兰·(中国)官方网站从产品设计到样品以及量产,均有量化高效的工艺流程及老化实验检测,保证了产品的质量与订单的按时交货。
关键词:灯饰微动开关MILANCOM米兰·(中国)官方网站,室内继电器MILANCOM米兰·(中国)官方网站定做






