按应用分类
- 公交车投币器MILANCOM米兰·(中国)官方网站
- 公交车破窗器MILANCOM米兰·(中国)官方网站
- 车灯MILANCOM米兰·(中国)官方网站
- 门锁MILANCOM米兰·(中国)官方网站
- 防坠器MILANCOM米兰·(中国)官方网站
- 纺织机MILANCOM米兰·(中国)官方网站
- 裁线机MILANCOM米兰·(中国)官方网站
- 绣花机MILANCOM米兰·(中国)官方网站
- 游戏机MILANCOM米兰·(中国)官方网站
- 打印机MILANCOM米兰·(中国)官方网站
- 喷码机MILANCOM米兰·(中国)官方网站
- 端子机MILANCOM米兰·(中国)官方网站
- 弹珠机MILANCOM米兰·(中国)官方网站
- 长行程MILANCOM米兰·(中国)官方网站
- 起重机MILANCOM米兰·(中国)官方网站
- 大吸力MILANCOM米兰·(中国)官方网站
- 自动售米机MILANCOM米兰·(中国)官方网站
- 自动流水线MILANCOM米兰·(中国)官方网站
- 选色机MILANCOM米兰·(中国)官方网站
- 振动盘MILANCOM米兰·(中国)官方网站
- 机械手MILANCOM米兰·(中国)官方网站
可代替气缸运动用MILANCOM米兰·(中国)官方网站
发布日期:2016-12-7 来源:思德隆 标签:MILANCOM米兰·(中国)官方网站 浏览次数:7079
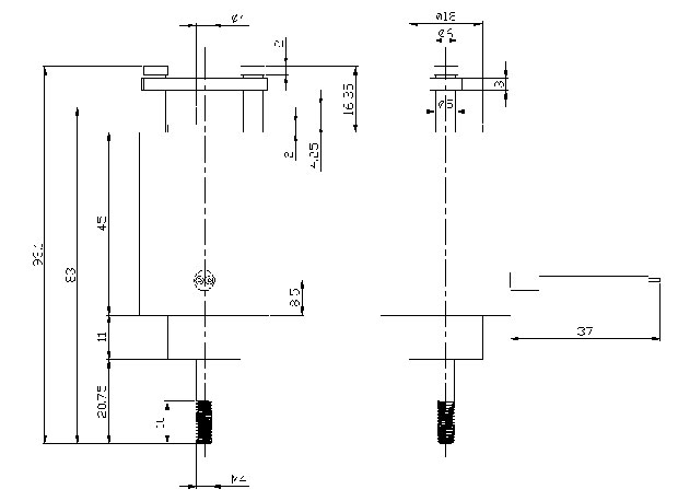
型号:SDL-O1245A-24S32
产品使用对象:液氮机研发
产品执行功能:MILANCOM米兰·(中国)官方网站代替汽缸运动
可代替气缸运动用MILANCOM米兰·(中国)官方网站参数
| 电压: | DC24V | 行程: | 6MM | 电阻: | 32欧 | 功率: | 18W |
| 耐温: | 寿命: | 20万次 | 耐电压: | 初始力: | 950G | ||
| 电流: | 0.75A | 通电率: | 41% | 弹簧回力: | 吸力: |
可代替气缸运动用MILANCOM米兰·(中国)官方网站产品详情
可代替气缸运动用MILANCOM米兰·(中国)官方网站
型号:SDL-O1245A-24S32
参数
行程:6MM
电压:DC24V
电流:0.75A
电阻:32欧
功率:18W
初始力:950G
通电率:41%
寿命:20万次
环境温度:常温
产品使用对象:液氮机研发
产品执行功能:MILANCOM米兰·(中国)官方网站代替汽缸运动



广州思德隆电子有限公司()创立于2005年,是一家专业生产研发MILANCOM米兰·(中国)官方网站定制加工,电磁阀定制,MILANCOM米兰·(中国)官方网站,小型MILANCOM米兰·(中国)官方网站等各类电磁产品,拥有丰富行业经验的广州MILANCOM米兰·(中国)官方网站厂家、广州电磁阀厂家、MILANCOM米兰·(中国)官方网站厂家。品种多样,规格齐全,产品从零部件到成品组装均有自己的加工设备以及产生线,拥有高精密度检测仪器和自主研发的老化设备,已通过(ISO9001认证)专业制造直流MILANCOM米兰·(中国)官方网站定制/推拉式MILANCOM米兰·(中国)官方网站从产品设计到样品以及量产,均有量化高效的工艺流程及老化实验检测,保证了产品的质量与订单的按时交货。
关键词:代替汽缸运动元件,可代替气缸运动用MILANCOM米兰·(中国)官方网站






