按应用分类
- 公交车投币器MILANCOM米兰·(中国)官方网站
- 公交车破窗器MILANCOM米兰·(中国)官方网站
- 车灯MILANCOM米兰·(中国)官方网站
- 门锁MILANCOM米兰·(中国)官方网站
- 防坠器MILANCOM米兰·(中国)官方网站
- 纺织机MILANCOM米兰·(中国)官方网站
- 裁线机MILANCOM米兰·(中国)官方网站
- 绣花机MILANCOM米兰·(中国)官方网站
- 游戏机MILANCOM米兰·(中国)官方网站
- 打印机MILANCOM米兰·(中国)官方网站
- 喷码机MILANCOM米兰·(中国)官方网站
- 端子机MILANCOM米兰·(中国)官方网站
- 弹珠机MILANCOM米兰·(中国)官方网站
- 长行程MILANCOM米兰·(中国)官方网站
- 起重机MILANCOM米兰·(中国)官方网站
- 大吸力MILANCOM米兰·(中国)官方网站
- 自动售米机MILANCOM米兰·(中国)官方网站
- 自动流水线MILANCOM米兰·(中国)官方网站
- 选色机MILANCOM米兰·(中国)官方网站
- 振动盘MILANCOM米兰·(中国)官方网站
- 机械手MILANCOM米兰·(中国)官方网站
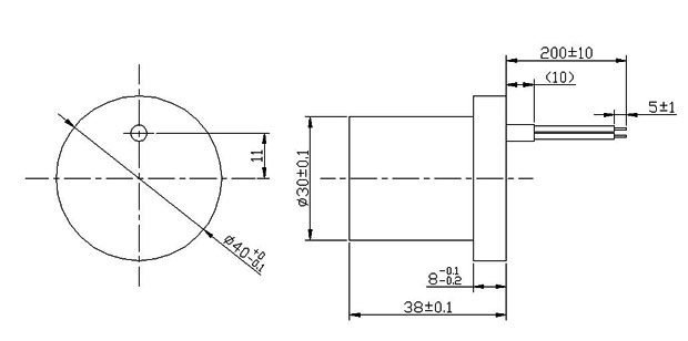
直流小型MILANCOM米兰·(中国)官方网站吸盘 圆形电磁吸盘
发布日期:2017-4-5 来源:思德隆 标签:吸盘式MILANCOM米兰·(中国)官方网站 浏览次数:8308
型号:SDL-XP3038A-24L72
产品使用对象:自动控制设备
产品执行功能:吸附
直流小型MILANCOM米兰·(中国)官方网站吸盘 圆形电磁吸盘参数
| 电压: | DC24V | 行程: | 电阻: | 72欧 | 功率: | 8W | |
| 耐温: | 寿命: | 50万次 | 耐电压: | 初始力: | 12KG | ||
| 电流: | 0.333A | 通电率: | 100% | 弹簧回力: | 吸力: | 12KG |
直流小型MILANCOM米兰·(中国)官方网站吸盘 圆形电磁吸盘产品详情
直流小型MILANCOM米兰·(中国)官方网站吸盘 圆形电磁吸盘
型号:SDL-XP3038A-24L72
参数
电压:DC24V
电流:0.333A
功率:8W
电阻:72欧
初始力:12KG
通电率:100%
寿命:50万次
是否防水:是
是否耐油:是
产品使用行业:自动控制设备
.jpg)
.jpg)
.jpg)
广州思德隆电子有限公司()创立于2005年,是一家专业生产研发MILANCOM米兰·(中国)官方网站定制加工,电磁阀定制,MILANCOM米兰·(中国)官方网站,小型MILANCOM米兰·(中国)官方网站等各类电磁产品,拥有丰富行业经验的广州MILANCOM米兰·(中国)官方网站厂家、广州电磁阀厂家、MILANCOM米兰·(中国)官方网站厂家。品种多样,规格齐全,产品从零部件到成品组装均有自己的加工设备以及产生线,拥有高精密度检测仪器和自主研发的老化设备,已通过(ISO9001认证)专业制造车灯MILANCOM米兰·(中国)官方网站/透镜MILANCOM米兰·(中国)官方网站从产品设计到样品以及量产,均有量化高效的工艺流程及老化实验检测,保证了产品的质量与订单的按时交货。
/elinfo-168.html
/elinfo-169.html
/elinfo-170.html
/elinfo-171.html
关键词:直流MILANCOM米兰·(中国)官方网站吸盘,小型MILANCOM米兰·(中国)官方网站吸盘,圆形电磁吸盘






