按应用分类
- 公交车投币器MILANCOM米兰·(中国)官方网站
- 公交车破窗器MILANCOM米兰·(中国)官方网站
- 车灯MILANCOM米兰·(中国)官方网站
- 门锁MILANCOM米兰·(中国)官方网站
- 防坠器MILANCOM米兰·(中国)官方网站
- 纺织机MILANCOM米兰·(中国)官方网站
- 裁线机MILANCOM米兰·(中国)官方网站
- 绣花机MILANCOM米兰·(中国)官方网站
- 游戏机MILANCOM米兰·(中国)官方网站
- 打印机MILANCOM米兰·(中国)官方网站
- 喷码机MILANCOM米兰·(中国)官方网站
- 端子机MILANCOM米兰·(中国)官方网站
- 弹珠机MILANCOM米兰·(中国)官方网站
- 长行程MILANCOM米兰·(中国)官方网站
- 起重机MILANCOM米兰·(中国)官方网站
- 大吸力MILANCOM米兰·(中国)官方网站
- 自动售米机MILANCOM米兰·(中国)官方网站
- 自动流水线MILANCOM米兰·(中国)官方网站
- 选色机MILANCOM米兰·(中国)官方网站
- 振动盘MILANCOM米兰·(中国)官方网站
- 机械手MILANCOM米兰·(中国)官方网站
防水耐油强力电吸盘 直流圆形MILANCOM米兰·(中国)官方网站吸盘
发布日期:2017-4-5 来源:思德隆 标签:MILANCOM米兰·(中国)官方网站吸盘 浏览次数:9004
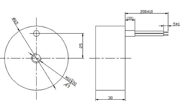
型号:SDL-XP6530A-24L45
产品使用对象:自动控制设备
产品执行功能:起重
防水耐油强力电吸盘 直流圆形MILANCOM米兰·(中国)官方网站吸盘参数
| 电压: | DC24V | 行程: | 电阻: | 45欧 | 功率: | 13W | |
| 耐温: | 寿命: | 50万次 | 耐电压: | 初始力: | 130KG | ||
| 电流: | 0.53A | 通电率: | 100% | 弹簧回力: | 吸力: | 130KG |
防水耐油强力电吸盘 直流圆形MILANCOM米兰·(中国)官方网站吸盘产品详情
防水耐油强力电吸盘 直流圆形MILANCOM米兰·(中国)官方网站吸盘
型号:SDL-XP6530A-24L45
参数
电压:DC24V
电流:0.53A
功率:13W
电阻:45欧
初始力:130KG
通电率:100%
寿命:50万次
是否防水:是
是否耐油:是
广州思德隆电子有限公司()创立于2005年,是一家专业生产研发MILANCOM米兰·(中国)官方网站定制加工,电磁阀定制,MILANCOM米兰·(中国)官方网站,小型MILANCOM米兰·(中国)官方网站等各类电磁产品,拥有丰富行业经验的广州MILANCOM米兰·(中国)官方网站厂家、广州电磁阀厂家、MILANCOM米兰·(中国)官方网站厂家。品种多样,规格齐全,产品从零部件到成品组装均有自己的加工设备以及产生线,拥有高精密度检测仪器和自主研发的老化设备,已通过(ISO9001认证)专业制造车灯MILANCOM米兰·(中国)官方网站/透镜MILANCOM米兰·(中国)官方网站从产品设计到样品以及量产,均有量化高效的工艺流程及老化实验检测,保证了产品的质量与订单的按时交货。
/elinfo-167.html
/coinfo-34.html
/coinfo-35.html
/coinfo-36.html
/vainfo-19.html
关键词:防水耐油电吸盘,强力电吸盘,直流MILANCOM米兰·(中国)官方网站吸盘,圆形MILANCOM米兰·(中国)官方网站吸盘

.jpg)
.jpg)

.jpg)





